首页
产品中心
新闻中心
关于我们
联系我们
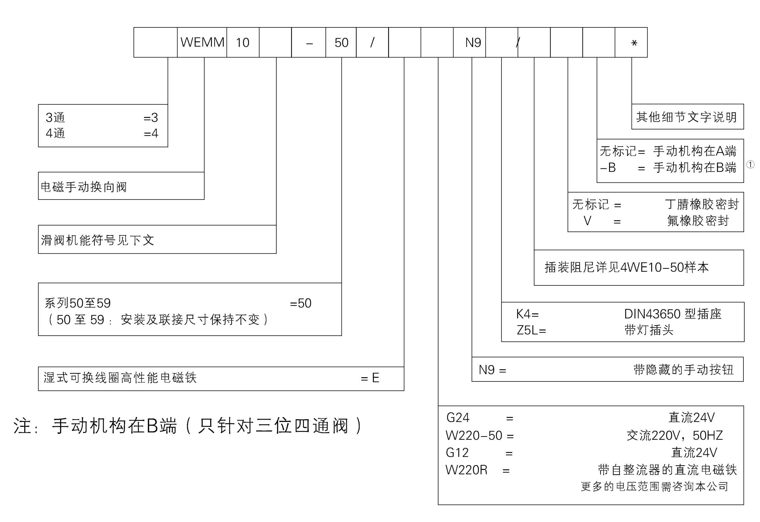
4WEMM10-50
产品类别:方向阀
资料下载:
4WEMM10-50.pdf
产品详情